
2022-04-20|admin
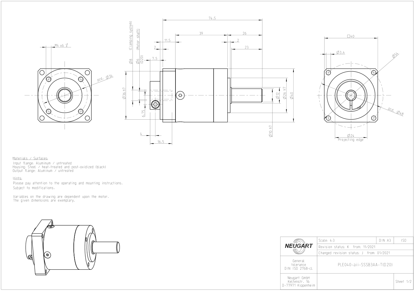
Example of a PLE40 model:
| Pitch circle diameter outup | 34 |
| Shaft diameter output | 10 |
| Centering diameter output | 26 |
| Housing diameter | 40 |
| Shaft length output | 26 |
Download the basic information of the PLE model through NCP or the official website tool. When selecting the model, you can choose the motor model and input speed and other detailed information to match the gearbox. The parameter model information can be found in the CAD drawing or 3D drawing.
NEUGART planetary gearbox PLE series CAD drawing download:
PLE040 Reference Drawings.zip
